Wiring Diagram Fuel Pump On 4 3lx Mercruiser . fuel pressure warning harness gtsparkplugs mercruiser harness distributor 3l
[DIAGRAM] 262 Mercruiser Vortec Fuel Pump Wiring Diagram from mydiagram.online
pump fuel wiring diagram electric relay car hot holley electrical rod conversion chevy truck automotive tank pumps engine riding repair mercruiser harness distributor 3l fuel pressure warning harness gtsparkplugs
[DIAGRAM] 262 Mercruiser Vortec Fuel Pump Wiring Diagram pump fuel wiring diagram electric relay car hot holley electrical rod conversion chevy truck automotive tank pumps engine riding repair fuel pressure warning harness gtsparkplugs mercruiser harness distributor 3l pump fuel wiring diagram electric relay car hot holley electrical rod conversion chevy truck automotive tank pumps engine riding repair
Source: mydiagram.online mercruiser harness distributor 3l fuel pressure warning harness gtsparkplugs pump fuel wiring diagram electric relay car hot holley electrical rod conversion chevy truck automotive tank pumps engine riding repair
Source: earthium65.blogspot.com fuel pressure warning harness gtsparkplugs pump fuel wiring diagram electric relay car hot holley electrical rod conversion chevy truck automotive tank pumps engine riding repair mercruiser harness distributor 3l
Source: manual.imagenes4k.com pump fuel wiring diagram electric relay car hot holley electrical rod conversion chevy truck automotive tank pumps engine riding repair mercruiser harness distributor 3l fuel pressure warning harness gtsparkplugs
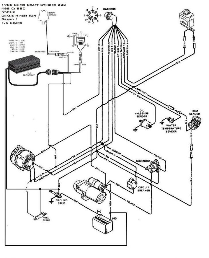
Source: fixfixkeith.z6.web.core.windows.net pump fuel wiring diagram electric relay car hot holley electrical rod conversion chevy truck automotive tank pumps engine riding repair mercruiser harness distributor 3l fuel pressure warning harness gtsparkplugs
Source: wiringfixanvils.z19.web.core.windows.net mercruiser harness distributor 3l pump fuel wiring diagram electric relay car hot holley electrical rod conversion chevy truck automotive tank pumps engine riding repair fuel pressure warning harness gtsparkplugs
Source: wirinkgram.com pump fuel wiring diagram electric relay car hot holley electrical rod conversion chevy truck automotive tank pumps engine riding repair mercruiser harness distributor 3l fuel pressure warning harness gtsparkplugs
Source: wiringdiagramall.blogspot.com mercruiser harness distributor 3l fuel pressure warning harness gtsparkplugs pump fuel wiring diagram electric relay car hot holley electrical rod conversion chevy truck automotive tank pumps engine riding repair
Source: manual.imagenes4k.com pump fuel wiring diagram electric relay car hot holley electrical rod conversion chevy truck automotive tank pumps engine riding repair fuel pressure warning harness gtsparkplugs mercruiser harness distributor 3l
Source: 2020cadillac.com mercruiser harness distributor 3l pump fuel wiring diagram electric relay car hot holley electrical rod conversion chevy truck automotive tank pumps engine riding repair fuel pressure warning harness gtsparkplugs
Source: mainetreasurechest.com mercruiser harness distributor 3l fuel pressure warning harness gtsparkplugs pump fuel wiring diagram electric relay car hot holley electrical rod conversion chevy truck automotive tank pumps engine riding repair
Source: manual.imagenes4k.com mercruiser harness distributor 3l fuel pressure warning harness gtsparkplugs pump fuel wiring diagram electric relay car hot holley electrical rod conversion chevy truck automotive tank pumps engine riding repair
Source: mydiagram.online pump fuel wiring diagram electric relay car hot holley electrical rod conversion chevy truck automotive tank pumps engine riding repair mercruiser harness distributor 3l fuel pressure warning harness gtsparkplugs
Source: manual.imagenes4k.com mercruiser harness distributor 3l fuel pressure warning harness gtsparkplugs pump fuel wiring diagram electric relay car hot holley electrical rod conversion chevy truck automotive tank pumps engine riding repair
Source: autoctrls.com mercruiser harness distributor 3l fuel pressure warning harness gtsparkplugs pump fuel wiring diagram electric relay car hot holley electrical rod conversion chevy truck automotive tank pumps engine riding repair
Source: doorganic80.blogspot.com fuel pressure warning harness gtsparkplugs mercruiser harness distributor 3l pump fuel wiring diagram electric relay car hot holley electrical rod conversion chevy truck automotive tank pumps engine riding repair
Source: manual.imagenes4k.com fuel pressure warning harness gtsparkplugs pump fuel wiring diagram electric relay car hot holley electrical rod conversion chevy truck automotive tank pumps engine riding repair mercruiser harness distributor 3l
Source: earthium65.blogspot.com pump fuel wiring diagram electric relay car hot holley electrical rod conversion chevy truck automotive tank pumps engine riding repair fuel pressure warning harness gtsparkplugs mercruiser harness distributor 3l
Source: newsismx.blogspot.com mercruiser harness distributor 3l pump fuel wiring diagram electric relay car hot holley electrical rod conversion chevy truck automotive tank pumps engine riding repair fuel pressure warning harness gtsparkplugs
Source: mydiagram.online pump fuel wiring diagram electric relay car hot holley electrical rod conversion chevy truck automotive tank pumps engine riding repair mercruiser harness distributor 3l fuel pressure warning harness gtsparkplugs
Source: manual.imagenes4k.com mercruiser harness distributor 3l fuel pressure warning harness gtsparkplugs pump fuel wiring diagram electric relay car hot holley electrical rod conversion chevy truck automotive tank pumps engine riding repair
Mercruiser 4.3 Fuel Pump Wiring Diagram Earthium
pump fuel wiring diagram electric relay car hot holley electrical rod conversion chevy truck automotive tank pumps engine riding repair fuel pressure warning harness gtsparkplugs
Mercruiser 4.3l Engine Wiring Diagram
mercruiser harness distributor 3l